Solární tepelná zařízení nabízejí mimořádnou možnost cenově výhodné přípravy teplé vody. Je to proto, že i za chladných ročních období má Slunce dostatek sil k tomu, aby vám poskytlo asi 30 {f955f53da4df286decd033a2cc3e6a162372802ed7f404d5f24585a16271039a} potřebné energie. V létě potom pokryje vaši spotřebu zcela. Díky tomu může prakticky každá domácnost fungovat dlouhodobě výhodněji.
Solární systém na ohřev vody, vyhřívání bazénů a podporu vytápění
Tyto systémy využívají pro zisk energie (tepla) solárních (termických) kolektorů, kde pomocí selektivní absorpční vrstvy je teplo předáváno proudící kapalině, která pak pomocí výměníků ohřívá teplou užitkovou vodu, bazénovou vodu nebo vodu topného systému. Proti ochlazování jsou kolektory izolovány tepelnou izolací. Tou může být např. minerální vata nebo také vakuum. Aby teplo nebylo vyzařováno zpět do prostoru, jsou kolektory kryty speciálním sklem, které na rozdíl od obyčejného okenního tabulového skla propouští téměř všechno tepelné záření ze slunce a to nejen přímé, nýbrž i difúzní (největší složka) a odražené. Navíc jsou odolné proti mechanickému poškození (např. kroupami).

Plochý vakuový kolektor TS 400
Energetický zisk dnes vyráběných špičkových slunečních kolektorů přesahuje v našich podmínkách 500 kWh za rok na 1m2. Veškeré příslušenství dodávané v těchto systémech jsou vyráběny moderními technologiemi z ušlechtilých materiálů odolných proti korozi, vysoké teplotě (170-230oC) a tlaku. Díky tomu si můžeme dovolit poskytnutí záruky na montáž v délce 3 roků.
Naše firma nabízí systémy s prověřenými kolektory vyráběné firmou ThermoSolar Žiar n. H. , na které slovenský výrobce poskytuje záruku 12 let a jejich dnes již ověřená životnost přesahuje 35 let.
Naším hlavním obchodním partnerem je Jihočeská společnost JH Solar (jako přímý dovozce kolektorů Thermosolar).
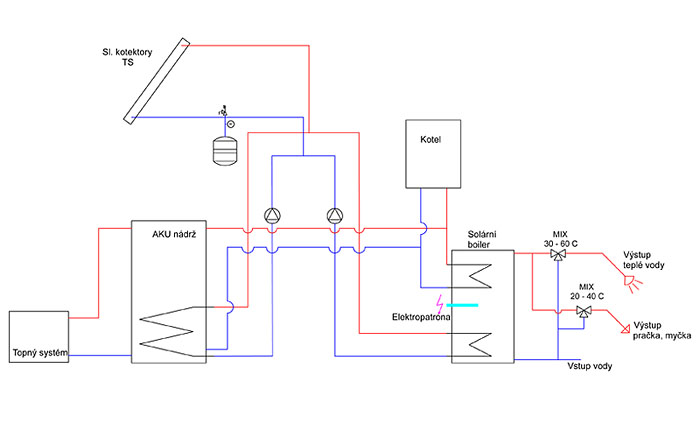
Základní varianty řešení
Varianta č.1 Ohřev vody

Varianta č.2 Ohřev vody a přitápění

Dotace:
Při realizaci solárního systému lze v současné době stále ještě zažádat o dotaci v rámci dotačního programu Nová Zelená Úsporám. Naše firma Vám nabízí komplexní servis v případě žádosti o dotaci. Na základě plné moci zajistíme projekt, posudek a veškerou administrativu vyřídíme za Vás.
Pro bližší informace nás prosím kontaktujte nebo nás navštivte v naší kanceláři.
Solární zařízení na sezónní ohřev bazénové nebo užitkové vody
Solární absorbéry jsou zařízení, která svým povrchem pohlcují záření a teplo z okolí a předávají ho kapalině – většinou vodě. Nejsou kryté sklem ani izolované a proto jejich účinnost se stoupajícím rozdílem teploty oproti okolnímu prostředí prudce klesá. Proto se využívají k sezónnímu ohřevu. Při ohřevu bazénové vody může být tato hnána oběhovým čerpadlem přímo přes absorbéry. TUV lze pouštět přes absorpční pole přímo z rozvodu studené vody.

Naše firma nabízí plastové absorbéry SOLADUR o výšce 130cm a šířce 2,3,4 nebo 5 m. Je možno je umístit jak na střechu nebo fasádu, tak i do volného terénu.
Dalším výrobkem z naší nabídky jsou plastové kazety KM Solar. Mají rozměry 30 x 30 cm a upevňují se obvykle na střechu v pásech. Příslušenství k připevnění a propojení je dodáváno spolu s absorbéry, takže instalace je velmi jednoduchá.
Mám zájem o solární zařízení, chci konzultovat.
